太阳成集团tyc234cc主页
首页
学院介绍
学院简介
学院介绍
学院领导
行政机构
系部中心
组织机构工作职责
师资力量
党建工作
组织机构
规章制度
学习园地
纪检工作
教学管理
教学管理文件
毕业设计/实习
常用下载
评估与认证
工程教育认证
专业评估
专业培养方案
学团工作
组织简介
新闻报道
学团荣誉
常用下载
招生就业
招生快讯
专业简介
培养方案
历年分数
师资力量
考研情况
就业情况
优质生源基地建设
走访企业、看望毕业生
毕业生资源表
常见问题解答
就业表格下载
宣传报道
联系我们
实践实验
实验实训中心
新闻动态
校企合作实践基地
理论学习
师资力量
科研学术
科研动态
科研政策
研究生教育
硕士点介绍
培养方案
导师风采
公示公告
招生信息
校友之家
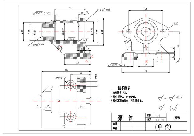
图1 零件图
发布者:先进制造工程学院
发布时间:2021-03-22
浏览次数:
223